產品系列
- 32.768KHz
- 石英晶振
- 貼片晶振
- 聲表面濾波器
- 陶瓷晶振
- 陶瓷霧化片
- 陶瓷濾波器
- 微孔霧化片
- CTS晶振
- KDS晶振
- 愛普生晶振
- 西鐵城晶振
- 精工晶體
- 村田晶振
- 京瓷晶振
- DST310S晶振
- 日本大河晶體
- NDK晶振
- 亞陶晶振
- 日本富士晶振
- NAKA晶振
- SMI晶振
- NKG晶振
- NJR晶振
- 臺灣加高諧振器
- 臺灣鴻星晶體
- TXC晶振
- 臺灣希華晶振
- 臺灣泰藝晶體
- NSK晶振
- AKER晶振
- Dynamic迪拉尼晶振
- Q-Tech晶振
- ABRACON晶振
- VECTRON晶振
- JAUCH晶振
- ConnorWinfield晶振
- Rakon晶振
- ECS晶振
- Greenray晶振
- ECLIPTEK晶振
- GOLLEDGE晶振
- STATEK晶振
- Pletronics晶振
- SITIME晶振
- Microcrystal晶振
- RALTRON晶振
- AEK晶振
- AEL晶振
- ILSI晶振
- FOX晶振
- fujicom晶振
- CRYSTEK晶振
- interquip晶振
- Geyer晶振
- quartzcom晶振
- qantek晶振
- EUROQUARTZ晶振
- quarztechnik晶振
- Cardinal晶振
- FRE-TECH晶振
- KVG晶振
- wi2wi晶振
- Transko晶振
- suntsu晶振
- mmdcomp晶振
- MERCURY晶振
- MTRONPTI晶振
- ACT晶振
- MTI晶振
- Lihom晶振
- Rubyquartz晶振
- Oscilent晶振
- SHINSUNG晶振
- ITTI晶振
- PDI晶振
- IQD晶振
- Microchip晶振
- Silicon晶振
- Anderson晶振
- Fortiming晶振
- CORE晶振
- NIPPON晶振
- NIC晶振
- QVS晶振
- Bomar晶振
- Bliley晶振
- GED晶振
- FILTRONETICS晶振
- STD晶振
- Wenzel晶振
- NEL晶振
- EM晶振
- PETERMANN晶振
- FCD-Tech晶振
- HEC晶振
- FMI晶振
- Macrobizes晶振
- AXTAL晶振
- SUNNY晶振
- ARGO晶振
- Renesas瑞薩晶振
- SKYWORKS晶振
晶振廠家
進口晶振
臺產晶振
歐美晶振
Tel:0755-27838351
Add:廣東深圳市寶安區67區留仙一路甲岸科技園3棟5樓
Email:konuaer@163.com
QQ:632862232
晶振官方博客
更多>>.jpg)

C49X-A1B2C2-60-25.0D16|HC-49U插件晶振|6G無線網絡晶振,Cardinal石英晶體,C49無源晶振,C49X-A1B2C2-60-25.0D16晶振,HC-49U插件晶振,頻率25MHz,負載16pF,工作溫度-10~70°C,抗沖擊晶振,高穩定性晶振,6G無線網絡晶振,以太網晶振,網絡終端晶振,物聯網應用晶振.
.gif)
C49X-A1B2C2-60-25.0D16|HC-49U插件晶振|6G無線網絡晶振參數表
| 規格參數 | 數值 |
| 頻率 | 25MHz |
| 頻率容差 | ±50ppm |
| 頻率穩定度 | ±50ppm |
| 工作溫度 | -10 to +70°C |
| 負載 | 16pF |
| 并聯電容 | 7pFMax |
| 激勵功率 | 1.0 mW Max |
| 儲存溫度 | -40~85°C |
| 老化 | ±5ppm/year |
.gif)
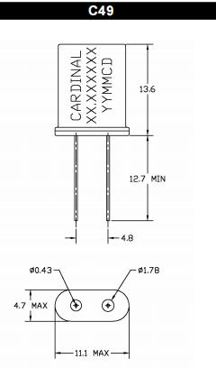
C49X-A1B2C2-60-25.0D16|HC-49U插件晶振|6G無線網絡晶振尺寸圖

| 原廠編碼 | 生產廠家 | 型號 | 頻率 | 負載 | 頻率穩定度 | ESR 電阻 | 工作溫度 |
| C49X-A1B2C2-60-25.0D16 | Cardinal晶振 | C49 | 25MHz | 16pF | ±50ppm | 60 Ohm | -20°C ~ 70°C |
| C49X-A1B2C2-60-26.0D16 | Cardinal晶振 | C49 | 26MHz | 16pF | ±50ppm | 60 Ohm | -20°C ~ 70°C |
| C49X-A1B2C2-60-27.0D16 | Cardinal晶振 | C49 | 27MHz | 16pF | ±50ppm | 60 Ohm | -20°C ~ 70°C |
| C49X-A1B2C2-60-28.0D16 | Cardinal晶振 | C49 | 28MHz | 16pF | ±50ppm | 60 Ohm | -20°C ~ 70°C |
| C49X-A1B2C2-60-29.0D16 | Cardinal晶振 | C49 | 29MHz | 16pF | ±50ppm | 60 Ohm | -20°C ~ 70°C |
| C49X-A1B2C2-40-30.0D16 | Cardinal晶振 | C49 | 30MHz | 16pF | ±50ppm | 40 Ohm | -20°C ~ 70°C |
| C49X-A1B2C2-40-31.0D16 | Cardinal晶振 | C49 | 31MHz | 16pF | ±50ppm | 40 Ohm | -20°C ~ 70°C |
| C49X-A1B2C2-40-32.0D16 | Cardinal晶振 | C49 | 32MHz | 16pF | ±50ppm | 40 Ohm | -20°C ~ 70°C |
| C49X-A1B2C2-40-33.0D16 | Cardinal晶振 | C49 | 33MHz | 16pF | ±50ppm | 40 Ohm | -20°C ~ 70°C |
| C49X-A1B2C2-40-34.0D16 | Cardinal晶振 | C49 | 34MHz | 16pF | ±50ppm | 40 Ohm | -20°C ~ 70°C |
| C49X-A1B2C2-40-35.0D16 | Cardinal晶振 | C49 | 35MHz | 16pF | ±50ppm | 40 Ohm | -20°C ~ 70°C |
| C49X-A1B2C2-40-36.0D16 | Cardinal晶振 | C49 | 36MHz | 16pF | ±50ppm | 40 Ohm | -20°C ~ 70°C |
| C49X-A1B2C2-40-37.0D16 | Cardinal晶振 | C49 | 37MHz | 16pF | ±50ppm | 40 Ohm | -20°C ~ 70°C |
| C49X-A1B2C2-40-38.0D16 | Cardinal晶振 | C49 | 38MHz | 16pF | ±50ppm | 40 Ohm | -20°C ~ 70°C |
| C49X-A1B2C2-40-39.0D16 | Cardinal晶振 | C49 | 39MHz | 16pF | ±50ppm | 40 Ohm | -20°C ~ 70°C |
| C49X-A3B1C1-40-8.0D16 | Cardinal晶振 | C49 | 8MHz | 16pF | ±100ppm | 40 Ohm | -55°C ~ 125°C |
.gif)
1.技術支持 2.客服咨詢
全方位技術指導,專業的技術支持讓您感受到 專業的銷售團隊,耐心為您解答任何疑問,讓您的
前所未有的后顧無憂. 消費得到保障.
3.質量保證,誠信為上 4.提升業績,降低成本
我司以“以科技為動力,以質量求生存”為理念. 為您的產品量身訂制,免費取樣,
為您做到低成本,高效率.

全方位技術指導,專業的技術支持讓您感受到 專業的銷售團隊,耐心為您解答任何疑問,讓您的
前所未有的后顧無憂. 消費得到保障.
3.質量保證,誠信為上 4.提升業績,降低成本
我司以“以科技為動力,以質量求生存”為理念. 為您的產品量身訂制,免費取樣,
為您做到低成本,高效率.

| 深圳市康華爾電子有限公司 |
| 電 話: +86-755-27838351 |
| 手 機:13823300879 |
| 傳 真: +86-755-27883106 |
| Q Q: 632862232 |
| MSN: konuaer@163.com |
| E-mail:konuaer@163.com |
| 網 址:http://www.intlcr.cn |
|
地 址:廣東深圳市寶安寶安大道東95號浙商銀行大廈1905 |





.jpg)
銷售代表
售后服務